Nové položky
HYDRAULICKÉ ČERPADLO GR.3 34 CC ĽAVÁ - PRÍRUBA
Kód
11879
OEM
9990000036615
Sadzba dane
22 %
Cena bez DPH:
127,05 EUR
Cena s DPH
155,00 EUR
Ref:
5

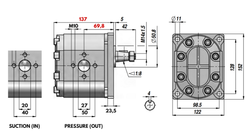
Prítok (L/min) | Pracovný tlak (bar) | Max. tlak (bar) | RPM | A (mm) | B (mm) |
34 | 200 | 250 | 3000 | 137 | 69.8 |
39 | 141 | 71.8 | |||
43 | 2800 | 143.5 | 73 | ||
46 | 2400 | 146.5 | 74 | ||
51 | 149.5 | 76 | |||
55 | 152 | 78 |
Dodávateľ:
Španielsko
smer otáčania:
vľavo
prevádzkový tlak:
200 bar
Vrátenie alebo výmena:
nie je možné
Priemer závitu tlakového vývodu:
50 mm
Priemer závitu sacieho otvoru:
40 mm
max. tlak:
250 bar
max. ot./min:
3000 ot./min
Prúd:
34 (L/min)










