Nya produkter
HYDRAULIKVENTIL 1XZ80 + FLYTANDE
Allmän beskrivning:
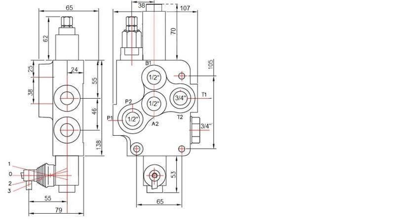
Manuell eller mekanisk hydraulikventil Р80 är avsedd för distribution och kontroll av arbetsflödet mellan hydraulikpumpen och konsumenterna (cylindrar, hydrauliska motorer…).
Hydraulikventiler används för olika ändamål inom jordbruk, industri, byggnation etc. för att styra:
- envägs cylindrar
- tvåvägs cylindrar
- hydrauliska motorer
- flytande funktioner (för plog)
- joysticks (upp-ned, vänster-höger)
De är monterade i en block från 1 till 6 spakar.
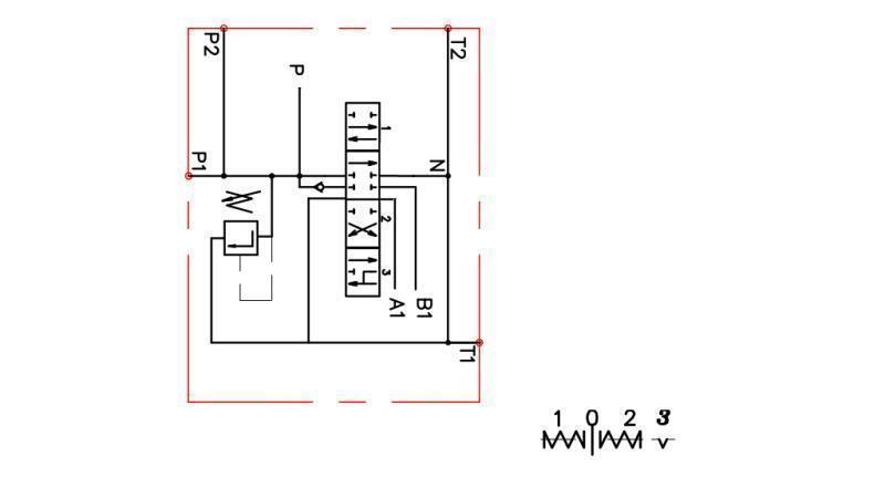
Drift:
Alla hydraulikventiler är utrustade med en säkerhetsventil. I neutralposition (spak i mitten) cirkulerar oljan genom ventilen. När spaken flyttas åt ena eller andra sidan, orsakar hydraulikventilen rörelsen av cylindern eller rotationen av den hydrauliska motorn i en riktning eller den andra. Efter att spaken släppts återgår den automatiskt till neutralposition, den hydrauliska motorn eller cylindern stannar i den aktuella positionen, och oljan cirkulerar återigen genom ventilen. Användning av ett så kallat 'stängt centrum' element är möjligt, vilket ändrar ventilen så att i neutralposition, oljan inte cirkulerar genom ventilen eller så att en sådan ventil inte längre flödar. Vid användning eller anslutning av andra ventiler är det nödvändigt att använda 'carry over' elementet, vilket möjliggör tillförsel av olja till andra ventiler.
I ventiler med spindlar för flytande funktion, tillåter det cylindern fri flöde av olja, vilket i sin tur innebär att cylindern rör sig fritt (eller snöplogen anpassar sig till terrängen).
Ventiler med spindlar för envägs cylinder är avsedda för envägs cylinder.
Konstruktion:
Р80 är en monoblock distributionsventil. Den är tillverkad av gjutjärn EN-GJL300. Spindlarna är tillverkade av kolstål och är hård kromade.
Anslutningar:
Spindeln är skruvad med två M8 skruvar.







