Produse Noi
VANĂ MANUALĂ PENTRU MOTOR HIDRAULIC MS CENTRU DESCHIS - 50LIT
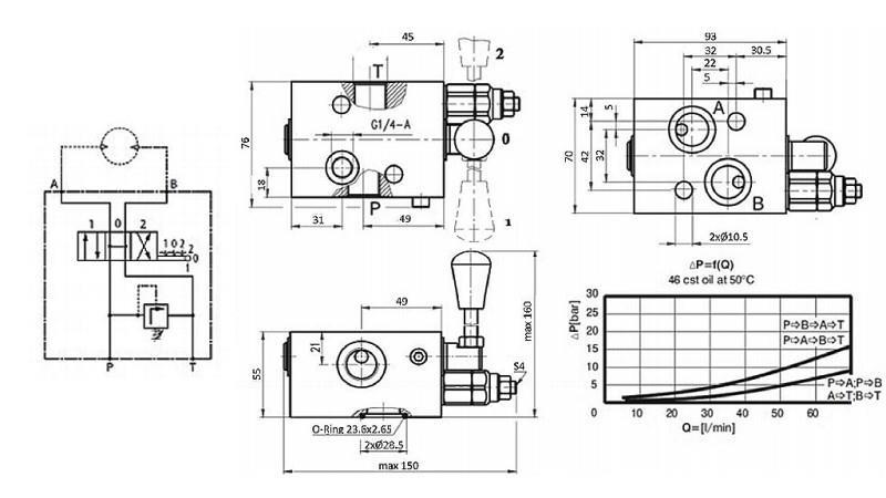
Descriere:
Vana manuală este montată direct pe motorul hidraulic și servește pentru a-l controla direct pe motorul hidraulic.
Levierul vanei permite pornirea și oprirea, precum și schimbarea direcției de rotație a motorului hidraulic.
Vana 'CENTRU DESCHIS'- În poziția neutră, motorul hidraulic nu este rotit. Nu este acționat hidraulic, dar axul motorului hidraulic poate roti cu propria inerție sau cu inerția încărcăturii.
Este cel mai frecvent utilizată în aplicații unde dorim ca acționarea să se oprească cu inerția încărcăturii sau să avem posibilitatea de auto-rotire a acționării - motor hidraulic.
Vana 'CENTRU ÎNCHIS'- În poziția neutră, motorul hidraulic este rotit, ceea ce înseamnă că inerția încărcăturii nu îl poate roti nici ea.
Este cel mai frecvent utilizată în aplicații unde dorim ca acționarea să se oprească imediat și să rămână staționară după ce acționarea - motorul hidraulic este oprit.






