Produse Noi
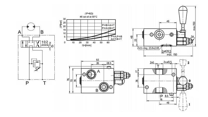
VANĂ MANUALĂ PENTRU MOTOR HIDRAULIC MP-MR-MH CENTRU ÎNCHIS - 50LIT
Opis:
Vana manuală este montată direct pe motorul hidraulic și este folosită pentru a-l controla direct pe motorul hidraulic.
Levierul vanei permite activarea și dezactivarea, precum și schimbarea direcției de rotație a motorului hidraulic.
Vana 'CENTRU DESCHIS'- În poziția neutră, motorul hidraulic nu este rotit. În caz contrar, nu este acționat hidraulic, dar axul motorului hidraulic poate roti cu propria inerție sau cu inerția încărcăturii.
Este cel mai frecvent utilizată în aplicații unde dorim ca acționarea să se oprească cu inerția încărcăturii sau să avem posibilitatea de auto-rotire a acționării - motor hidraulic.
Vana 'CENTRU ÎNCHIS'- În poziția neutră, motorul hidraulic este rotit, ceea ce înseamnă că inerția încărcăturii nu poate să-l rotească.
Este cel mai frecvent utilizată în aplicații unde dorim ca acționarea să se oprească imediat și să rămână nemișcată după ce acționarea - motorul hidraulic este oprit.







