Produse Noi
CUTIE DE VITEZE ÎN UNGHI TB-27J 1.46:1 (40HP-29.4KW)
Cod produs:
100139
OEM:
9990000024704
Rata impozitului
22 %
Preț fără TVA:
1.593,63 RON
Preț cu TVA:
1.944,23 RON
Ref:
0
Returnare sau schimbare:
14 zile
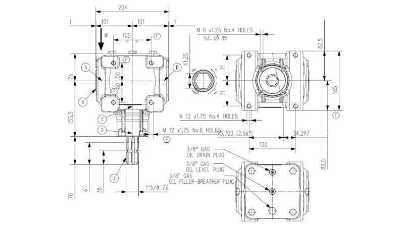
rotația reducerului:
stânga/dreapta (în funcție de instalarea reducerului)
codul producătorului:
9.267.872.10
Load:
40 CP (29.4 kW)
arbore de ieșire:
ax 30 mm
tip de reductor:
TB-27J (transmisie unghiulară)
lubrifiant:
ulei SAE 90 1.1 litri trebuie adăugat în reducer.
arbore de intrare:
cardan (1”3/8 – 6 dinți)


.jpg)
.jpg)
.jpg)



