Jauni produkti
HIDRAULISKAIS VĀRSTS 5XZ80 + 2X JOYSTICK
Vispārējā apraksts:
Rokas vai mehāniskais hidrauliskais vārsts Р80 ir paredzēts darba plūsmas sadalei un kontrolei starp hidraulisko sūkni un patērētājiem (cilindri, hidrauliskie motori…).
Hidrauliskie vārsti tiek izmantoti dažādiem mērķiem lauksaimniecībā, rūpniecībā, būvniecībā utt. kontrolei:
- viena darbības cilindri
- divu darbības cilindri
- hidrauliskie motori
- peldēšanas funkcijas (pār plūdiem)
- joystiki (uz leju-uz augšu, pa kreisi-pa labi)
Tie tiek montēti blokā no 1 līdz 6 svirām.
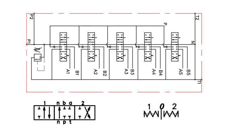
Darbošanās:
Visi hidrauliskie vārsti ir aprīkoti ar drošības vārstu. Neitrālajā pozīcijā (sviras vidū) eļļa cirkulē caur vārstu. Kad sviru pārvieto uz vienu vai otru pusi, hidrauliskais vārsts izraisa cilindru kustību vai hidrauliskā motora rotāciju vienā vai otrā virzienā. Pēc sviras atbrīvošanas tā automātiski atgriežas neitrālajā pozīcijā, hidrauliskais motors vai cilindrs apstājas pašreizējā pozīcijā, un eļļa atkal cirkulē caur vārstu. Ir iespējams izmantot tā saukto 'slēgto centru' elementu, kas maina vārstu tā, lai neitrālajā pozīcijā eļļa necirculētu caur vārstu vai šāds vārsts vairs nebūtu plūstošs. Izmantojot vai pieslēdzot citus vārstus, ir nepieciešams izmantot 'pārneses' elementu, kas ļauj eļļas piegādi citiem vārstiem.
Vārstos ar spindelēm peldēšanas funkcijai tas ļauj cilindram brīvu eļļas plūsmu, kas attiecīgi nozīmē, ka cilindrs pārvietojas brīvi (vai sniega lāpsta pielāgojas reljefam).
Vārsti ar spindelēm vienas darbības cilindriem ir paredzēti vienas darbības cilindriem.
Būve:
Р80 ir monobloka sadales vārsts. Tas izgatavots no čuguna EN-GJL300. Spindeles izgatavotas no oglekļa tērauda un ir cieti hromētas.
Savienojumi:
Spindele ir pievilkta ar divām M8 skrūvēm.










