Nauji produktai
HIDRAULINIS VOŽTUVAS 1XP40 + VIENOS KRYPTIES B1
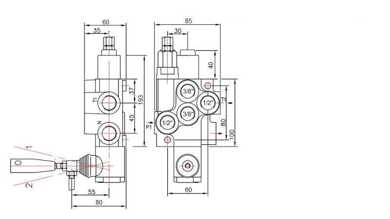
Bendra aprašymas:
Rankinis arba mechaninis hidraulinis vožtuvas Р40 skirtas darbo srauto paskirstymui ir valdymui tarp hidraulinio siurblio ir vartotojų (cilindrų, hidraulinių variklių…).
Hidrauliniai vožtuvai naudojami įvairiems tikslams žemės ūkyje, pramonėje, statyboje ir kt. valdyti:
- vienos krypties cilindrus
- dviejų krypčių cilindrus
- hidraulinius variklius
- plūduriuojančias funkcijas (plūgui)
- joystick'us (aukštyn-žemyn, kairė-dešinė)
Jie surenkami blokuose nuo 1 iki 7 svirčių.
Veikimas:
Visi hidrauliniai vožtuvai yra aprūpinti saugos vožtuvu. Neutralioje padėtyje (svirtys viduryje) alyva cirkuliuoja per vožtuvą. Kai svirtys perkeliamas į vieną ar kitą pusę, hidraulinis vožtuvas sukelia cilindro judėjimą arba hidraulinio variklio sukimąsi viena ar kita kryptimi. Atleidus svirtys, jis automatiškai grįžta į neutralų padėtį, hidraulinis variklis arba cilindras sustoja dabartinėje padėtyje, o alyva vėl cirkuliuoja per vožtuvą. Galima naudoti vadinamąjį 'uždaro centro' elementą, kuris pakeičia vožtuvą taip, kad neutralioje padėtyje alyva nebekeliautų per vožtuvą arba toks vožtuvas nebeveikia. Naudojant arba prijungiant kitus vožtuvus, būtina naudoti 'perdavimo' elementą, kuris leidžia tiekti alyvą kitiems vožtuvams.
Vožtuvams su sraigteliais plūduriuojančiai funkcijai, leidžia cilindrui laisvą alyvos srautą, kas reiškia, kad cilindras juda laisvai (arba sniego plūgas prisitaiko prie reljefo).
Vožtuvai su sraigteliais vienos krypties cilindrams skirti vienos krypties cilindrams.
Statyba:
Р40 yra monoblokinis paskirstymo vožtuvas. Jis pagamintas iš ketaus EN-GJL300. Sraigteliai pagaminti iš anglinio plieno ir yra padengti kietu chromu.
Jungtys:
Sraigtelis prisukamas dviem M8 varžtais.







