Új termékek
HIDRAULIKUS SZÍVATTYÚ SEGÉDHAJTÁS - MERCEDES G4
Kód:
12863
OEM:
9990000080960
Adó mértéke
22 %
Ár áfa nélkül:
45.972,15 HUF
Ár áfával:
56.086,02 HUF
Ref:
1
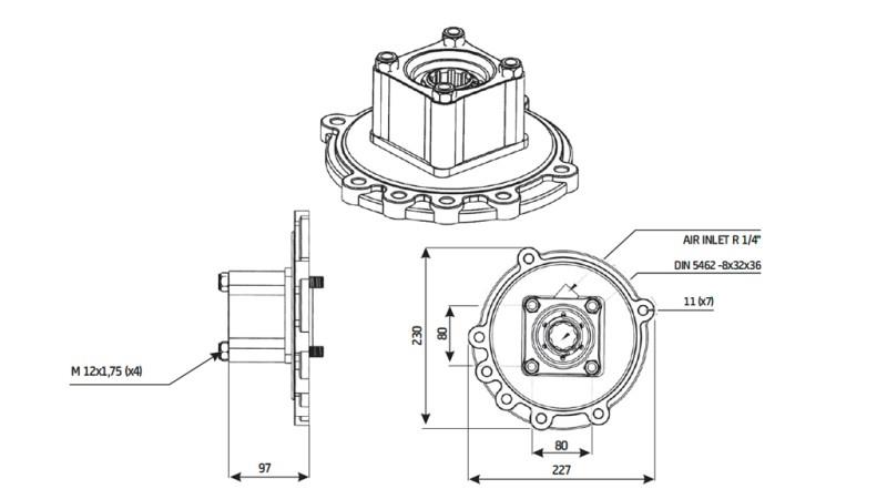
LEIRÁS:
A kimenetek olyan teherautók számára alkalmasak, ahol hidraulikus szivattyút kell telepíteni. Lehetőség van egy öntöttvas szivattyú típus telepítésére:
ISO (rögzítőszivattyú három (3) csavarral)
UNI (rögzítőszivattyú négy (4) csavarral)
Alkalmas sebességváltók típusához:
G4-GV/ 4 65, 90, 95, 110, 125, 135, 155, 180
Járművekhez: Mercedes
1222-1224-1417-1419-1617-1619-1620-1722-1733-1817-1820-1821-1827-1831-1922-2232-2517- 2521-2527-3027-1424-1628-1820-1824-1929-1935-1948-2224-2222-2426-2524-2622-2629-2635 MERCEDES BENZ
Szállító:
Törökország
Típus:
UNI (4 csavar)
Visszatérés vagy csere:
14 nap
tervezett felhasználás:
219.7 Nm
vezérlés:
pneumatikus
Forgások:
500 rpm
Termék súlya:
6 kg
Garancia:
6 hónap
szerelés:
hátsó
sűrűség:
16 Hp (12 kW)
kötélhúzási sebesség:
1:1






