Nuevos Productos
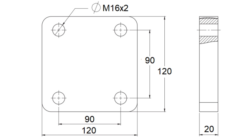
BRIDA DE MONTAJE PARA GANCHO DE REMOLQUE GIRATORIO FI42 EN CARCASA
Código de producto:
14253
OEM:
9990000168828
Tasa de impuesto
22 %
Precio sin IVA:
9,84 EUR
Precio con IVA:
12,00 EUR
Ref:
11
Proveedor:
Pavo
Devolución o cambio:
14 días
Garantía:
6 meses
diámetro del agujero:
M16x2






