Nye produkter
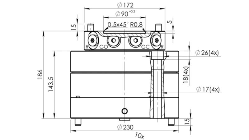
HYDRAULIC ROTATOR CPR5-01 10000/5000 KG
Beskrivelse:
'HYDRAULIC ROTATOR CPR5-01 10000/5000 KG'
Den hydrauliske rotator til skovbrugsgribere er en nøglekomponent, der bruges til at forbedre effektiviteten og fleksibiliteten i håndteringen af tunge laster som stammer, grene og andre materialer. Denne rotator er typisk designet til at blive fastgjort til enden af en teleskoparm eller toppen af griberen, hvilket muliggør uafhængig rotation og præcis manipulation og placering af laster.
Hydraulisk drift: Rotatoren drives af hydraulik, hvilket muliggør nem og kontrolleret rotation af griberen. Det hydrauliske system giver præcis kontrol over hastigheden og retningen af rotation.
Ubegribelig rotation: En af hovedfunktionerne ved griberotatoren er dens fulde 360-graders rotation. Dette betyder, at den kan rotere i enhver retning, hvilket gør det lettere at løfte, placere og losse materialer i forskellige positioner.
Høj statisk og dynamisk belastningskapacitet: Rotatorerne er designet til at håndtere tunge laster, såsom store stammer eller flere stammer ad gangen.
Robust konstruktion: Givet de krævende driftsforhold for skovbrugsudstyr er designet af rotatoren meget robust for maksimal levetid.
Formål: Den hydrauliske rotator til gribere er en nøglekomponent i moderne skovbrugsudstyr, der forbedrer effektiviteten, sikkerheden og fleksibiliteten i træfældning og håndtering. Når man vælger en hydraulisk rotator, er det vigtigt at overveje de specifikke behov for driften og sikre kompatibilitet med eksisterende udstyr.









