Нови артикули
PMRV-130 СКОРОСТНА КУТИЯ ЗА ЕЛЕКТРИЧЕСКИ МОТОР MS132 (5.5KW) СЪОТНОШЕНИЕ 40:1
Допълнително описание:
| електрически мотор | скоростна кутия | изходен въртящ момент M2 [Nm] | фактор на безопасност - SF |
|---|---|---|---|
| 5.5kW (MS132) | RV-130 | 1141 | 0.9 |
Описание:
СКОРОСТНИ КУТИИ PMRV се използват в комбинация с електрически мотори.
Скоростната кутия намалява оборотите на електрическия мотор до стойността, с която искаме да работим. Скоростните кутии имат различни съотношения 7.5:1 - 10:1 - 20:1 - 40:1.
При инсталиране на скоростната кутия, винаги се уверявайте, че:
- данните на табелката съвпадат с данните на поръчания артикул
- къщата и валовете са чисти и непокътнати
- повърхността, на която е прикрепена скоростната кутия, е равна и достатъчно здрава
- скоростната кутия и валът на електрическия мотор пасват добре
- ако има възможност за вибрации или засядане, трябва да се инсталира ограничител на въртящия момент
- въртящите се части са покрити с пластмасови капаци
- устройството, използвано на открито, трябва да бъде адекватно защитено от времето
- условията на работа не причиняват корозия (освен ако не е уговорено предварително и скоростната кутия и електрическият мотор са правилно подготвени)
- зъбните колела, валовете, входните/изходните валове са правилно закрепени, за да се избегнат радиални или аксиални натоварвания, които не надвишават максималния допустим лимит
- всички съединения са покрити с антикорозионен материал, за да се предотврати окисляване при контакт
- всички крепежни винтове трябва да бъдат здраво затегнати
Всички изчисления са базирани на електрически мотори с 1400 оборота. Ако използвате електрически мотор с различна скорост от 1400 оборота в минута, разделете входните обороти на съотношението на скоростната кутия, за да получите изходните обороти.
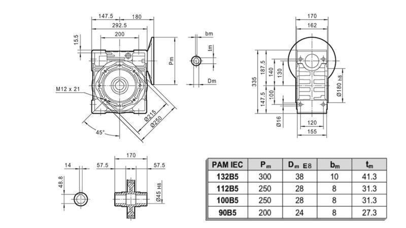
Повече технически данни можете да намерите в приложението 'РАЗМЕРИ - ТЕХНИЧЕСКИ ДОКУМЕНТ'.







