Нови артикули
ХИДРАВЛИЧЕН ПРОПОРЦИОНАЛЕН ТРАКТОРЕН СПИРАЧЕН КЛАПАН - МАСЛЕН СИСТЕМ
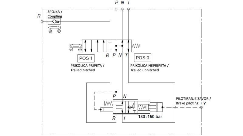
Описание:
Хидравличният пропорционален тракторен спирачен клапан е компонент, чрез който можем синхронно да спираме ремаркето с трактора. Клапанът е инсталиран на трактора, който се свързва с хидравликата и посочващите клапани и съществуващата спирачна система. Спирачният клапан се контролира директно от спирачното налягане на трактора. Без налягане в хидравличната система Y (спирачна система на трактора), R е свързан с T (резервоар) и P е свързан с N (излишен поток).
С увеличаването на потока в Y, силата на потока активира възвратната пружина, която затваря връзката между R и T и установява връзка между R и P. При необходимост, потокът между P и N се намалява, за да се създаде налягане в R.
Клапанът за натоварване (LS) е инсталиран на R. Максималното налягане на спирачната система е 130 - 150 бара.
В първата фаза на спиране, клапанът може да пренасочи целия поток от помпата към спирачките на ремаркето, така че потребителят на връзката N временно може да остане без масло.
Забележка за инсталацията:
Пропорционалният клапан е елемент за безопасност, който изисква максимално внимание по време на инспекция и обслужване на клапана. Не инсталирайте клапана преди други компоненти за безопасност (напр. управление).
Обикновено клапанът се инсталира между помпата (с постоянен поток или клапан за натоварване) и контролния клапан, в който няма други компоненти за безопасност в тази хидравлична схема.










